Technology

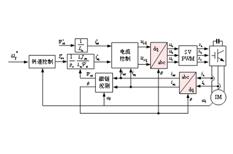
Comparison between vector control (VC) and variable voltage and variable frequency control (V/F)
2021-06-02
The pursuit of "higher, faster, stronger" ultra-high-speed motor drive
2021-05-07
What is the difference between a high-speed motor and an ordinary motor?
2019-09-11
How does TSD high-speed motor drive reduce motor heat generation?
2019-03-20
What are the difficulties of magnetic suspension bearings?
2022-04-06
How to extend the life time of the drive?
2021-10-15
Why adding a motor filter?
2021-08-12
Requirements for controllers in zirconia ceramic processing
2020-06-13
How does an AC motor work?
2019-07-10
What is the motor duty system?
2019-05-17